Ticker

6/recent/ticker-posts

Advertisement

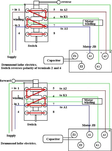
Download Dewhurst Switch Wiring Diagram Manual

Presently you are looking with regard to an Dewhurst Switch Wiring Diagram Manual example of which we provide here within some form of document formats such as PDF, Doc, Energy Point, and in addition images of which will make it simpler for you to create an Dewhurst Switch Wiring Diagram Manual yourself. For a better look, you can open several examples below. All the illustrations about Dewhurst Switch Wiring Diagram Manual on this website, we get from a number of sources so you may create a better record of your own.

If the search you get here does not match what you are looking for, please make use of the lookup feature that we have got provided here. You are usually free to download anything that we provide in this article, expense cost you the particular slightest.

DOWNLOAD HERE

You know that reading Dewhurst Switch Wiring Diagram Manual is beneficial, because we are able to get too much info online in the resources. Technologies have developed, and reading Dewhurst Switch Wiring Diagram Manual books could be easier and simpler. We can read books on our mobile, tablets and Kindle, etc. Hence, there are lots of books being received by PDF format.

Right here websites for downloading free PDF books which you could acquire all the knowledge as you want. Nowadays everybody, young and older, should familiarize themselves along with the growing eBook industry. Ebooks and eBook viewers provide substantial benefits over traditional reading. Ebooks reduce down on the make use of of paper, as recommended by environmental enthusiasts. Right now there are no fixed timings for study. There will be no question of waiting-time for new editions. Right now there is no transportation in order to the eBook shop. The particular books at an eBook shop can be downloaded quickly, sometimes for free, sometimes to get a fee.

Not just that, the online edition of books are typically less expensive, because publication houses save on their print plus paper machinery, the benefits of which are transferred to customers. Further, the particular reach of the e book shop is immense, enabling an individual living in Quotes to source out in order to a publication house within Chicago. The newest phenomenon in the online e book world is what are referred to as eBook libraries, or e book packages. An eBook package is something remarkable. It consists of a large number of ebooks included together that are not readily available at one solitary place. So instead associated with hunting down and acquiring, say 100 literary classics, you can aquire an eBook package which contains all these types of ebooks bundled together. These kinds of eBook libraries typically offer you a substantial savings, plus are usually offered within many different formats to match your brand of eBook reader. Large companies, such since Amazon or Barnes as well as Noble, tend to not carry these eBook libraries. If you want in order to buy one of these libraries, you will have in order to find independent eBook stores. These independent eBook stores typically package the e book libraries by genre, plus have a wide selection of genres.